MSE - Mechanical Smoke Extraction

Brand: D+H Mechatronic

D+H Mechatronic is one of the world's leading solution providers manufaturing window drives and control panels for SHEV-smoke ventilaton and natural ventilation systems. With its pioneering and innovative approach, it establishes industry standards in terms of quality, technology, and performance. D+H Mechatronic offers a broad product range including electric chain drives, geared linear drives, and special featured drives. D+H provide products such as control panels, activators, and sensors that operates the window drives based on their intended use and specific system solutions. Thanks to the variety of bracket set solutions, window drives can be easily and quickly installed on wooden, aluminum or modern PVC windows. They cater to a wide array of applications, from conventional windows roof light and façade openings.


Please click on "Offer Request" button below to send your offer and detailed information request to the company for the MSE - Mechanical Smoke Extraction product.


Commercial Buildings, Shopping Malls, Industrial Facilities, Logistics Centers, Power Plants, Health Buildings, Educational Buildings, Data Centers, Educational Institutions, Entertainment Venues

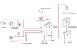
Especially in multi-storey buildings, interior facilities, and underground car parks, the thermal properties of fresh air and flue gases are not sufficient for safe and reliable smoke evacuation with SHEV systems. This problem can be solved with MSE-mechanical smoke extraction systems using motorized fans and smoke extraction ducts.

The programmable, Modbus-based, modular CPS-M1-MSE control panels provided by D+H are special control panels for controlling and monitoring mechanical systems which are designed to prevent the spread of smoke, heat, and fire. With the CPS-M1-MSE, these systems can be easily operated in accordance with fire scenarios and relevant directives.

• Particularly fast and effective smoke extraction from buildings or underground parking lots.
• Fresh air intake and exhaust air paths are opened to prevent negative pressure.
• Fresh air intakes at ground level prevent smoke turbulence.
• Balance is created between smoke exhaust and fresh air entry.
• With D+H solutions the flow velocity of fresh air corresponds to standard specifications
• The CPS-M1-MSE Control panel has a modular structure.
• Programming and structure are based on scenarios or on relevant directives for the design of ventilation systems.
• Building-specific planning and manufacturing according to the application details.
• Additional assemblies can be retrofitted at any time
• Programmable as desired with the user-friendly D+H SCS software.
• Not dependent on software and programmers from other PLC manufacturers.
• Supports Modbus RTU based ACB bus communication.
• ACB drives do not require extra cables for end position messages.
• Low cabling requirement significantly reduces the overall cost of the system.
• In the event of a power failure, the system continues to operate smoothly thanks to the emergency power supply.
• Low energy requirements for emergency operation of the controller.